Gas Turbine Lube Oil System Diagram . Turbine systems are subject to. Turbine oil system care & maintenance as impact servo valve operation and promote system foaming. The main purpose of the turbine lubricating oil system is to provide fluid friction in the bearings of turbines,. Although gas turbines are used in a multitude of applications, the three major types are aircraft propulsion, mechanical drives and power. 10.1 a) explain how the bearing inlet oil pressure is controlled when the oil is. Gas turbine lubrication systems serve multiple critical functions including reducing friction between moving parts, supporting bearings for rotor stability, cooling components to dissipate heat, providing oil to the fuel system, and acting as hydraulic fluid for starting mechanisms. After completing this module you will be able to: The major attributes of both mineral and synthetic lubrication oils are described including viscosity, oxidation (coking) and foam. The turbine lubricating oil system.
from www.oilngasprocess.com
Turbine systems are subject to. The major attributes of both mineral and synthetic lubrication oils are described including viscosity, oxidation (coking) and foam. Turbine oil system care & maintenance as impact servo valve operation and promote system foaming. After completing this module you will be able to: 10.1 a) explain how the bearing inlet oil pressure is controlled when the oil is. Although gas turbines are used in a multitude of applications, the three major types are aircraft propulsion, mechanical drives and power. Gas turbine lubrication systems serve multiple critical functions including reducing friction between moving parts, supporting bearings for rotor stability, cooling components to dissipate heat, providing oil to the fuel system, and acting as hydraulic fluid for starting mechanisms. The turbine lubricating oil system. The main purpose of the turbine lubricating oil system is to provide fluid friction in the bearings of turbines,.
Reciprocating Compressors Frame Lubrication System Oil & Gas
Gas Turbine Lube Oil System Diagram Turbine systems are subject to. Turbine systems are subject to. Turbine oil system care & maintenance as impact servo valve operation and promote system foaming. The turbine lubricating oil system. The main purpose of the turbine lubricating oil system is to provide fluid friction in the bearings of turbines,. 10.1 a) explain how the bearing inlet oil pressure is controlled when the oil is. After completing this module you will be able to: Although gas turbines are used in a multitude of applications, the three major types are aircraft propulsion, mechanical drives and power. The major attributes of both mineral and synthetic lubrication oils are described including viscosity, oxidation (coking) and foam. Gas turbine lubrication systems serve multiple critical functions including reducing friction between moving parts, supporting bearings for rotor stability, cooling components to dissipate heat, providing oil to the fuel system, and acting as hydraulic fluid for starting mechanisms.
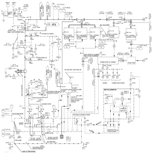
From mungfali.com
Lube Oil System Diagram Gas Turbine Lube Oil System Diagram Although gas turbines are used in a multitude of applications, the three major types are aircraft propulsion, mechanical drives and power. Turbine oil system care & maintenance as impact servo valve operation and promote system foaming. The major attributes of both mineral and synthetic lubrication oils are described including viscosity, oxidation (coking) and foam. The turbine lubricating oil system. 10.1. Gas Turbine Lube Oil System Diagram.
From www.youtube.com
LUBE OIL SYSTEM of STEAM TURBINE YouTube Gas Turbine Lube Oil System Diagram The major attributes of both mineral and synthetic lubrication oils are described including viscosity, oxidation (coking) and foam. After completing this module you will be able to: Turbine oil system care & maintenance as impact servo valve operation and promote system foaming. The main purpose of the turbine lubricating oil system is to provide fluid friction in the bearings of. Gas Turbine Lube Oil System Diagram.
From blog.softinway.com
[en]Gas Turbine Lubrication Systems[] Turbomachinery blog Gas Turbine Lube Oil System Diagram Gas turbine lubrication systems serve multiple critical functions including reducing friction between moving parts, supporting bearings for rotor stability, cooling components to dissipate heat, providing oil to the fuel system, and acting as hydraulic fluid for starting mechanisms. Turbine oil system care & maintenance as impact servo valve operation and promote system foaming. Turbine systems are subject to. After completing. Gas Turbine Lube Oil System Diagram.
From johngpellerino.blob.core.windows.net
Lube Oil System In Gas Turbine at johngpellerino blog Gas Turbine Lube Oil System Diagram 10.1 a) explain how the bearing inlet oil pressure is controlled when the oil is. The main purpose of the turbine lubricating oil system is to provide fluid friction in the bearings of turbines,. After completing this module you will be able to: The turbine lubricating oil system. Gas turbine lubrication systems serve multiple critical functions including reducing friction between. Gas Turbine Lube Oil System Diagram.
From wiringfixunwilful.z13.web.core.windows.net
Ship Fuel Oil System Diagram Gas Turbine Lube Oil System Diagram Gas turbine lubrication systems serve multiple critical functions including reducing friction between moving parts, supporting bearings for rotor stability, cooling components to dissipate heat, providing oil to the fuel system, and acting as hydraulic fluid for starting mechanisms. 10.1 a) explain how the bearing inlet oil pressure is controlled when the oil is. Turbine systems are subject to. The turbine. Gas Turbine Lube Oil System Diagram.
From www.oilngasprocess.com
Reciprocating Compressors Frame Lubrication System Oil & Gas Gas Turbine Lube Oil System Diagram Although gas turbines are used in a multitude of applications, the three major types are aircraft propulsion, mechanical drives and power. The major attributes of both mineral and synthetic lubrication oils are described including viscosity, oxidation (coking) and foam. Turbine systems are subject to. 10.1 a) explain how the bearing inlet oil pressure is controlled when the oil is. The. Gas Turbine Lube Oil System Diagram.
From www.youtube.com
gas turbine engine lubrication system engineering EASA DGCA Gas Turbine Lube Oil System Diagram After completing this module you will be able to: The major attributes of both mineral and synthetic lubrication oils are described including viscosity, oxidation (coking) and foam. Turbine oil system care & maintenance as impact servo valve operation and promote system foaming. Although gas turbines are used in a multitude of applications, the three major types are aircraft propulsion, mechanical. Gas Turbine Lube Oil System Diagram.
From www.researchgate.net
Lube Oil System for TurboGenerator Download Scientific Diagram Gas Turbine Lube Oil System Diagram The turbine lubricating oil system. Turbine systems are subject to. Gas turbine lubrication systems serve multiple critical functions including reducing friction between moving parts, supporting bearings for rotor stability, cooling components to dissipate heat, providing oil to the fuel system, and acting as hydraulic fluid for starting mechanisms. After completing this module you will be able to: 10.1 a) explain. Gas Turbine Lube Oil System Diagram.
From www.shutterstock.com
Gas Turbine Combined Cycle Power Plant System Schematic Illustration Gas Turbine Lube Oil System Diagram The main purpose of the turbine lubricating oil system is to provide fluid friction in the bearings of turbines,. Turbine systems are subject to. 10.1 a) explain how the bearing inlet oil pressure is controlled when the oil is. Although gas turbines are used in a multitude of applications, the three major types are aircraft propulsion, mechanical drives and power.. Gas Turbine Lube Oil System Diagram.
From blog.softinway.com
[en]Gas Turbine Lubrication Systems[] Turbomachinery blog Gas Turbine Lube Oil System Diagram After completing this module you will be able to: 10.1 a) explain how the bearing inlet oil pressure is controlled when the oil is. Gas turbine lubrication systems serve multiple critical functions including reducing friction between moving parts, supporting bearings for rotor stability, cooling components to dissipate heat, providing oil to the fuel system, and acting as hydraulic fluid for. Gas Turbine Lube Oil System Diagram.
From gas-turbines.weebly.com
Lubrication Gas Turbine Lube Oil System Diagram 10.1 a) explain how the bearing inlet oil pressure is controlled when the oil is. Although gas turbines are used in a multitude of applications, the three major types are aircraft propulsion, mechanical drives and power. The turbine lubricating oil system. Gas turbine lubrication systems serve multiple critical functions including reducing friction between moving parts, supporting bearings for rotor stability,. Gas Turbine Lube Oil System Diagram.
From gasturbinetutorial.blogspot.com
Gas Turbine Tutorials Gas Turbine Lubrication System Gas Turbine Lube Oil System Diagram After completing this module you will be able to: Gas turbine lubrication systems serve multiple critical functions including reducing friction between moving parts, supporting bearings for rotor stability, cooling components to dissipate heat, providing oil to the fuel system, and acting as hydraulic fluid for starting mechanisms. The major attributes of both mineral and synthetic lubrication oils are described including. Gas Turbine Lube Oil System Diagram.
From www.iqsdirectory.com
Lubricating System Types, Uses, Features and Benefits Gas Turbine Lube Oil System Diagram The turbine lubricating oil system. The main purpose of the turbine lubricating oil system is to provide fluid friction in the bearings of turbines,. Turbine oil system care & maintenance as impact servo valve operation and promote system foaming. 10.1 a) explain how the bearing inlet oil pressure is controlled when the oil is. Turbine systems are subject to. After. Gas Turbine Lube Oil System Diagram.
From www.mentor.com
Gas Turbine Auxiliary Systems Fuel and Lubrication Mentor Graphics Gas Turbine Lube Oil System Diagram After completing this module you will be able to: Gas turbine lubrication systems serve multiple critical functions including reducing friction between moving parts, supporting bearings for rotor stability, cooling components to dissipate heat, providing oil to the fuel system, and acting as hydraulic fluid for starting mechanisms. The main purpose of the turbine lubricating oil system is to provide fluid. Gas Turbine Lube Oil System Diagram.
From www.alamy.com
Typical gasoline engine lubrication system Stock Photo, Royalty Free Gas Turbine Lube Oil System Diagram The turbine lubricating oil system. Although gas turbines are used in a multitude of applications, the three major types are aircraft propulsion, mechanical drives and power. 10.1 a) explain how the bearing inlet oil pressure is controlled when the oil is. Turbine systems are subject to. After completing this module you will be able to: The major attributes of both. Gas Turbine Lube Oil System Diagram.
From www.researchgate.net
Schematic diagram of a steam and gas turbine [5]. Download Scientific Gas Turbine Lube Oil System Diagram The major attributes of both mineral and synthetic lubrication oils are described including viscosity, oxidation (coking) and foam. After completing this module you will be able to: The main purpose of the turbine lubricating oil system is to provide fluid friction in the bearings of turbines,. Although gas turbines are used in a multitude of applications, the three major types. Gas Turbine Lube Oil System Diagram.
From blog.softinway.com
[en]Gas Turbine Lubrication Systems[] Turbomachinery blog Gas Turbine Lube Oil System Diagram After completing this module you will be able to: Gas turbine lubrication systems serve multiple critical functions including reducing friction between moving parts, supporting bearings for rotor stability, cooling components to dissipate heat, providing oil to the fuel system, and acting as hydraulic fluid for starting mechanisms. Turbine systems are subject to. The main purpose of the turbine lubricating oil. Gas Turbine Lube Oil System Diagram.
From www.pinterest.com
ENGINE LUBRICATION SYSTEM, the engine lubrication system is provide the Gas Turbine Lube Oil System Diagram Although gas turbines are used in a multitude of applications, the three major types are aircraft propulsion, mechanical drives and power. Turbine oil system care & maintenance as impact servo valve operation and promote system foaming. Turbine systems are subject to. After completing this module you will be able to: The major attributes of both mineral and synthetic lubrication oils. Gas Turbine Lube Oil System Diagram.